Vai al contenuto principale Vai alla ricerca Vai alla navigazione principale
Menu

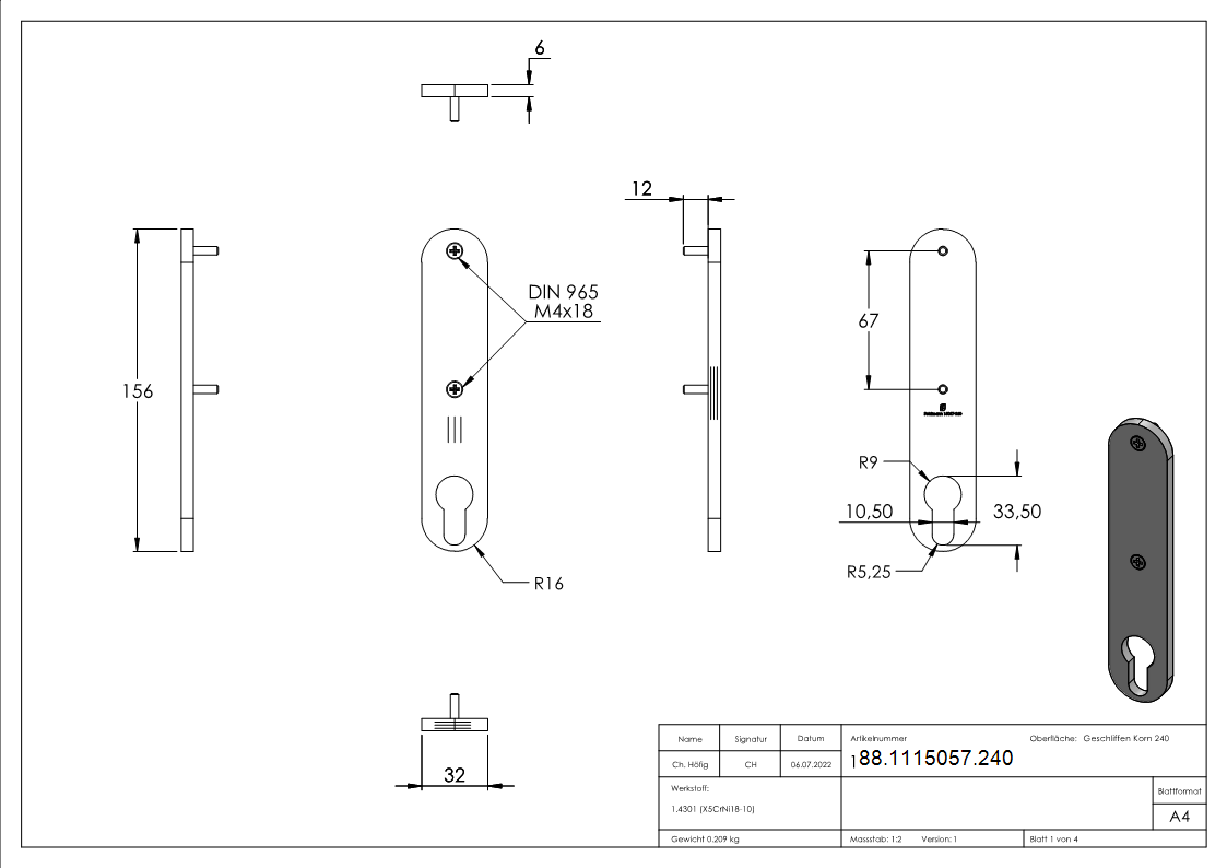
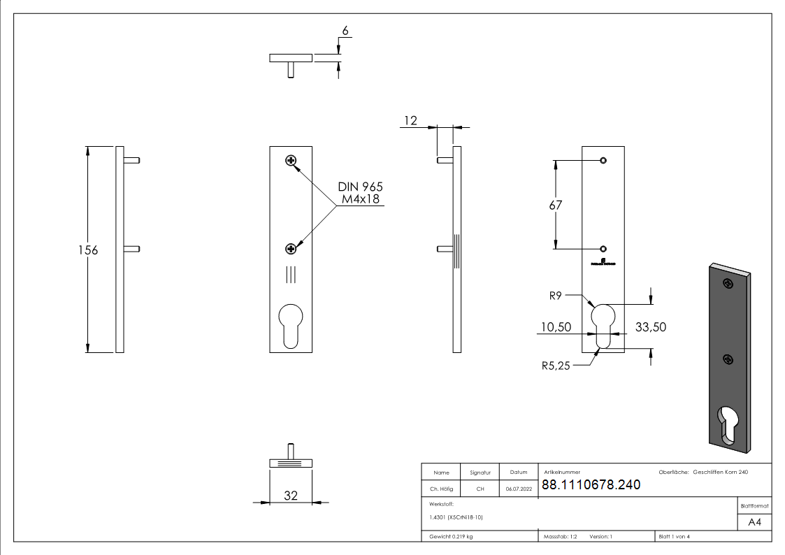
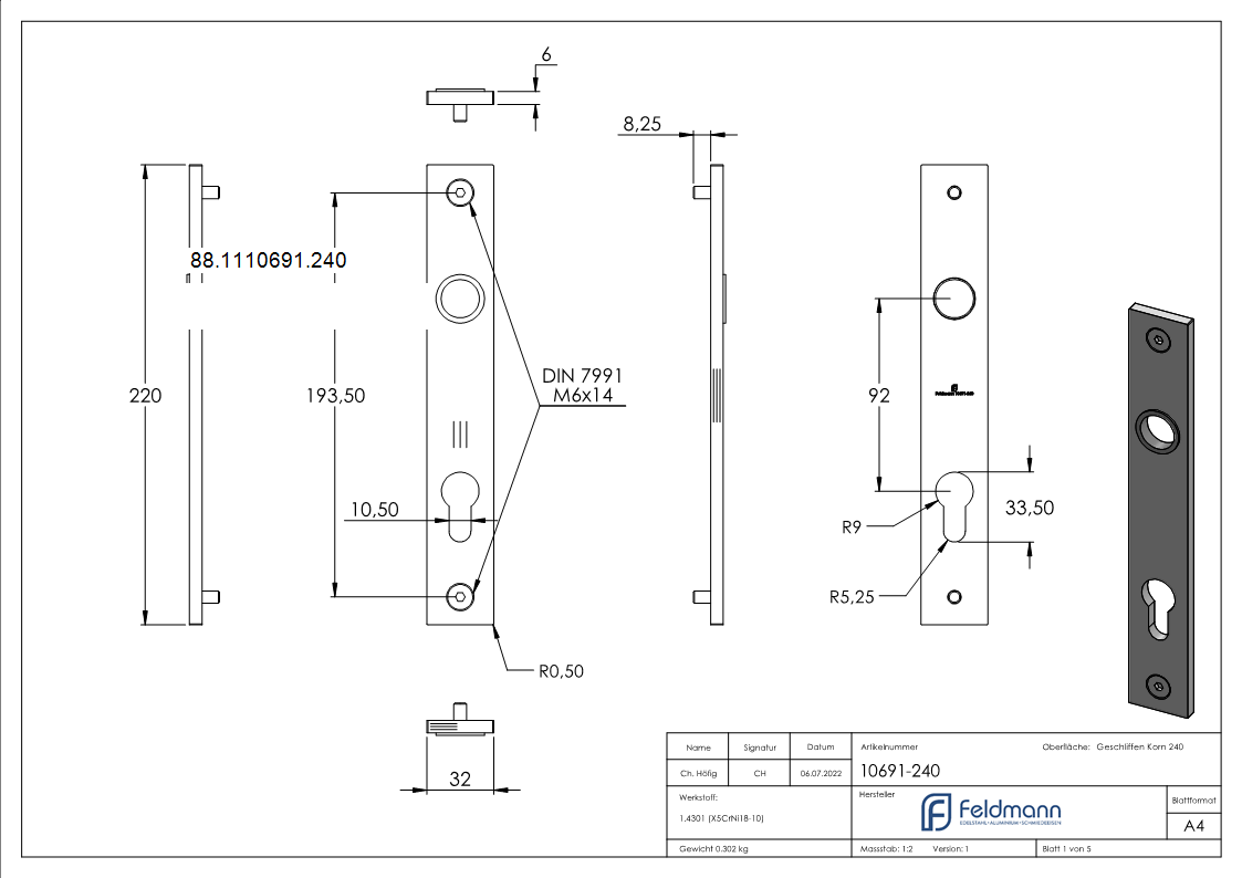
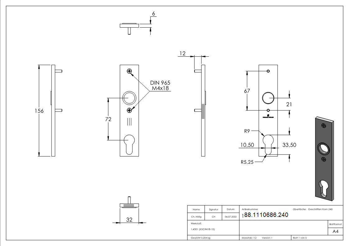
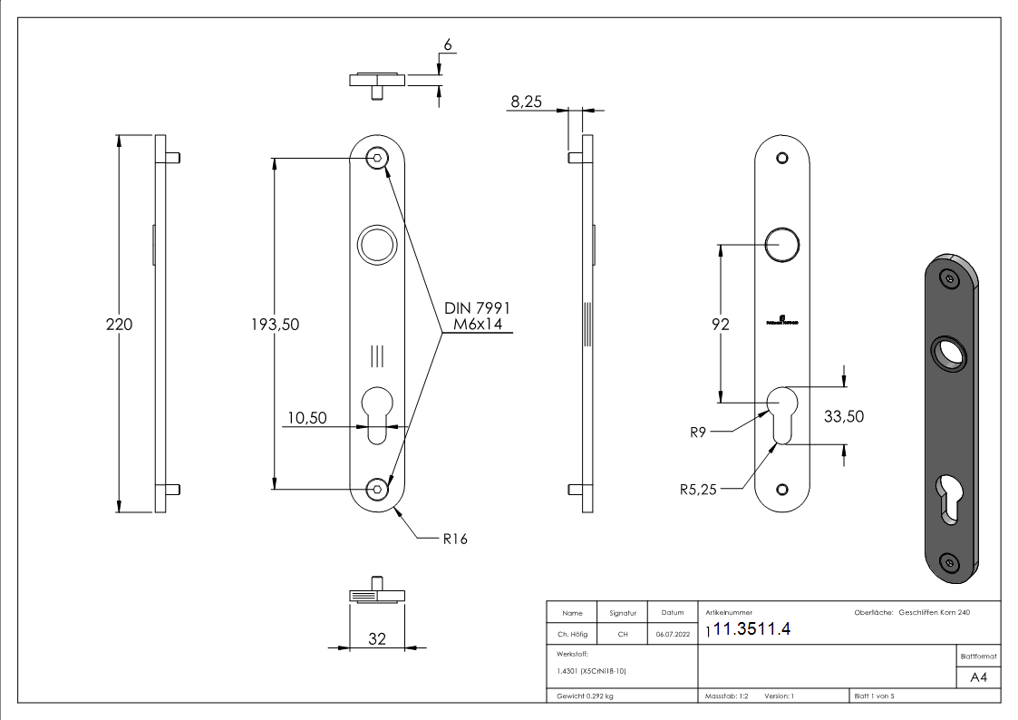
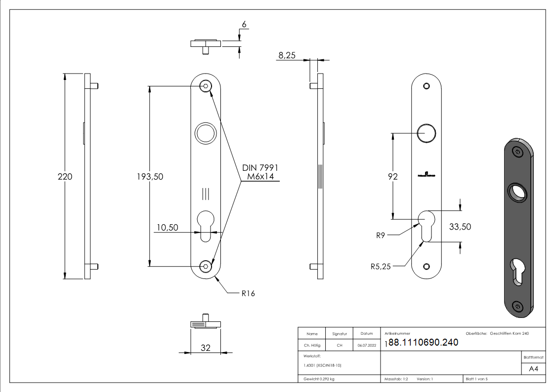
Targhette lunghe / corte

// Der metallische Rahmen für alles, was sich um das Schloss dreht.

Filtra i prodotti